Болт с уменьшенной головкой, класс точности А ГОСТ 7817-80 относится к группе призонных болтов. Термин «призонный» — это искаженное производное от слова «прецизионный», то есть изделие высокой точности. Этим объясняется и особенность применения этих болтов, они, как правило, устанавливаются без зазоров по посадке в точно обработанные отверстия. При таком использовании, призонные болты являются и крепежной деталью. Наиболее оптимальным вариантом для такого использования являются конические болты.
Болты призонные ГОСТ 7817-80 применяются также для отверстий из-под развертки
Болт призонный ГОСТ 7817-80 - фото - 2

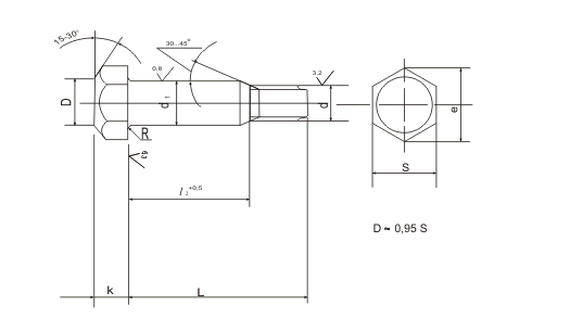
Болт призонный ГОСТ 7817-80

Болт с уменьшенной головкой, класс точности А ГОСТ 7817-80 относится к группе призонных болтов. Термин «призонный» — это искаженное производное от слова «прецизионный», то есть изделие высокой точности. Этим объясняется и особенность применения этих болтов, они, как правило, устанавливаются без зазоров по посадке в точно обработанные отверстия. При таком использовании, призонные болты являются и крепежной деталью. Наиболее оптимальным вариантом для такого использования являются конические болты.
Болты призонные ГОСТ 7817-80 применяются также для отверстий из-под развертки

Призонные болты ГОСТ 7817-80 ещё называют шестигранными с уменьшенной головкой. Слово «призонный» — производное от термина «прецизионный», говорящего о высокой точности изделий. Такие болты устанавливают в точно обработанные отверстия, когда важно отсутствие зазоров. Крепежи используют для соединения конструкций из любых материалов — от металлов до древесины. Чаще всего изделия используют при монтаже розеток. Санкт-Петербургский Завод крепёжных изделий занимается изготовлением и продажей призонных (прецизионных) болтов. Работаем по чертежам заказчиков и типовым проектам.

Назначение и особенности изготовления

Призонные болты ГОСТ 7817-80 используются в производстве мебели, строительного инвентаря и оборудования, а также в сфере машиностроения. Основное назначение изделий — формирование соединений, выдерживающих высокие статические, динамические (то есть ударные) и циклические нагрузки. Поэтому крепежи часто применяют при сборке редукторов, роторов и муфт.

Для изготовления крепежных элементов используются высокопрочные стали марки ст. 35. Сырьевой материал позволяет реализовывать стяжку соединяемых конструкций на высоком уровне. Призонные болты ГОСТ 7817-80 помогают центрировать соединяемые элементы, что, в свою очередь, исключает необходимость дополнительных манипуляций для достижения их соосности.

Для прецизионных крепежей характерны такие параметры:

  • Поле допуска резьбы составляет 6g.
  • Класс точности — А (наивысшая точность).
  • Класс прочности — от 4,8 до 12,9.
  • Материал изготовления — углеродистая или легированная конструкционная сталь.
  • Покрытие — гальваническое или горячее оцинкованное (выпускаются также изделия без дополнительного покрытия).

Крепежные элементы нормально справляются с повышенной влажностью; эксплуатация в агрессивной среде нежелательна.

Преимущества заказа в СПбЗКИ

Санкт-Петербургский Завод крепёжных изделий поможет выгодно купить призонные болты ГОСТ 7817-80. Мы самостоятельно изготавливаем крепежи и контролируем весь производственный цикл: анализ сырья, контроль производственных этапов, тестирование готовых изделий.

Выполняем индивидуальные заказы по чертежам клиентов и типовые проекты. Доставка возможна в любой регион России. Заказы принимаются и отправляются ежедневно с 09:00 до 18:30.

Изготовление

Призонные болты ГОСТ 7817-80 ещё называют шестигранными с уменьшенной головкой. Слово «призонный» — производное от термина «прецизионный», говорящего о высокой точности изделий. Такие болты устанавливают в точно обработанные отверстия, когда важно отсутствие зазоров. Крепежи используют для соединения конструкций из любых материалов — от металлов до древесины. Чаще всего изделия используют при монтаже розеток. Санкт-Петербургский Завод крепёжных изделий занимается изготовлением и продажей призонных (прецизионных) болтов. Работаем по чертежам заказчиков и типовым проектам.

Назначение и особенности изготовления

Призонные болты ГОСТ 7817-80 используются в производстве мебели, строительного инвентаря и оборудования, а также в сфере машиностроения. Основное назначение изделий — формирование соединений, выдерживающих высокие статические, динамические (то есть ударные) и циклические нагрузки. Поэтому крепежи часто применяют при сборке редукторов, роторов и муфт.

Для изготовления крепежных элементов используются высокопрочные стали марки ст. 35. Сырьевой материал позволяет реализовывать стяжку соединяемых конструкций на высоком уровне. Призонные болты ГОСТ 7817-80 помогают центрировать соединяемые элементы, что, в свою очередь, исключает необходимость дополнительных манипуляций для достижения их соосности.

Технические характеристики

Для прецизионных крепежей характерны такие параметры:

  • Поле допуска резьбы составляет 6g.
  • Класс точности — А (наивысшая точность).
  • Класс прочности — от 4,8 до 12,9.
  • Материал изготовления — углеродистая или легированная конструкционная сталь.
  • Покрытие — гальваническое или горячее оцинкованное (выпускаются также изделия без дополнительного покрытия).

Крепежные элементы нормально справляются с повышенной влажностью; эксплуатация в агрессивной среде нежелательна.

Преимущества заказа в СПбЗКИ

Санкт-Петербургский Завод крепёжных изделий поможет выгодно купить призонные болты ГОСТ 7817-80. Мы самостоятельно изготавливаем крепежи и контролируем весь производственный цикл: анализ сырья, контроль производственных этапов, тестирование готовых изделий.

Выполняем индивидуальные заказы по чертежам клиентов и типовые проекты. Доставка возможна в любой регион России. Заказы принимаются и отправляются ежедневно с 09:00 до 18:30.

Санкт-Петербургский Завод крепежных изделий © 2025г. Все права защищены
Адрес
СПб, г. Колпино, б-р Трудящихся, дом 2, лит. А., пом. 13-Н, офис 1
Яндекс.Метрика