- Главная
- Каталог
- Крепеж
- Болты откидные
- Болты откидные с трапецеидальной резьбой ГОСТ 14725-69
Болты откидные с трапецеидальной резьбой ГОСТ 14725-69
-
Технические характеристики
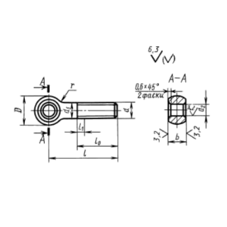
Болт ГОСТ 14725-69: характеристики
Крепежная часть изготавливается из качественного материала различных марок и типоразмерах. Это позволит расширить ассортимент изделий. Обычно применяется сталь 45 с оцинкованием в качестве защитного покрытия. Оно придает прочность, устойчивость крепежу. Твердость сырья должна соответствовать 34,5–39,5 единиц.
Конструкция представлена головкой (кольцо или ушко), стержнем и резьбой. Головка обладает подвижностью и позволяет использовать его в случае, когда нужна частая сборка или демонтаж. По стержню нанесена резьба с классом точности 8e и диаметром 5-36 мм. Размерный ряд представлен несколькими типоразмерами Tr: 16*4, 20*4, 24*5 и 30*6. Допускается изготавливать болтов с классом прочности В и С.
Болты откидные ГОСТ 14725-69 изготавливаются в несколько вариантах: с круглой головкой, вилкой, а также с головкой и отверстием для шплинта. Для частого использования потребуются высокопрочные крепежные изделия, автоклавные. При выборе ориентируются на опорную поверхность, которая должна иметь специальное углубление для фиксации.
Чтобы купить откидные болты ГОСТ 14725-69, следует обратиться в «СПбЗКИ». В каталоге представлена полная информация об изделии, характеристики и параметры. Заказать можно прямо на сайте, заполнив форму или по телефонам.
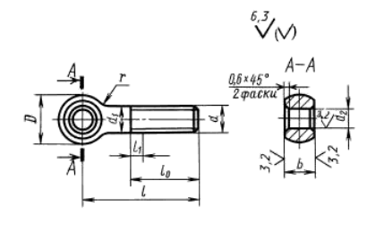
Болт ГОСТ 14725-69: характеристики
Крепежная часть изготавливается из качественного материала различных марок и типоразмерах. Это позволит расширить ассортимент изделий. Обычно применяется сталь 45 с оцинкованием в качестве защитного покрытия. Оно придает прочность, устойчивость крепежу. Твердость сырья должна соответствовать 34,5–39,5 единиц.
Конструкция представлена головкой (кольцо или ушко), стержнем и резьбой. Головка обладает подвижностью и позволяет использовать его в случае, когда нужна частая сборка или демонтаж. По стержню нанесена резьба с классом точности 8e и диаметром 5-36 мм. Размерный ряд представлен несколькими типоразмерами Tr: 16*4, 20*4, 24*5 и 30*6. Допускается изготавливать болтов с классом прочности В и С.
Болты откидные ГОСТ 14725-69 изготавливаются в несколько вариантах: с круглой головкой, вилкой, а также с головкой и отверстием для шплинта. Для частого использования потребуются высокопрочные крепежные изделия, автоклавные. При выборе ориентируются на опорную поверхность, которая должна иметь специальное углубление для фиксации.
Чтобы купить откидные болты ГОСТ 14725-69, следует обратиться в «СПбЗКИ». В каталоге представлена полная информация об изделии, характеристики и параметры. Заказать можно прямо на сайте, заполнив форму или по телефонам.




